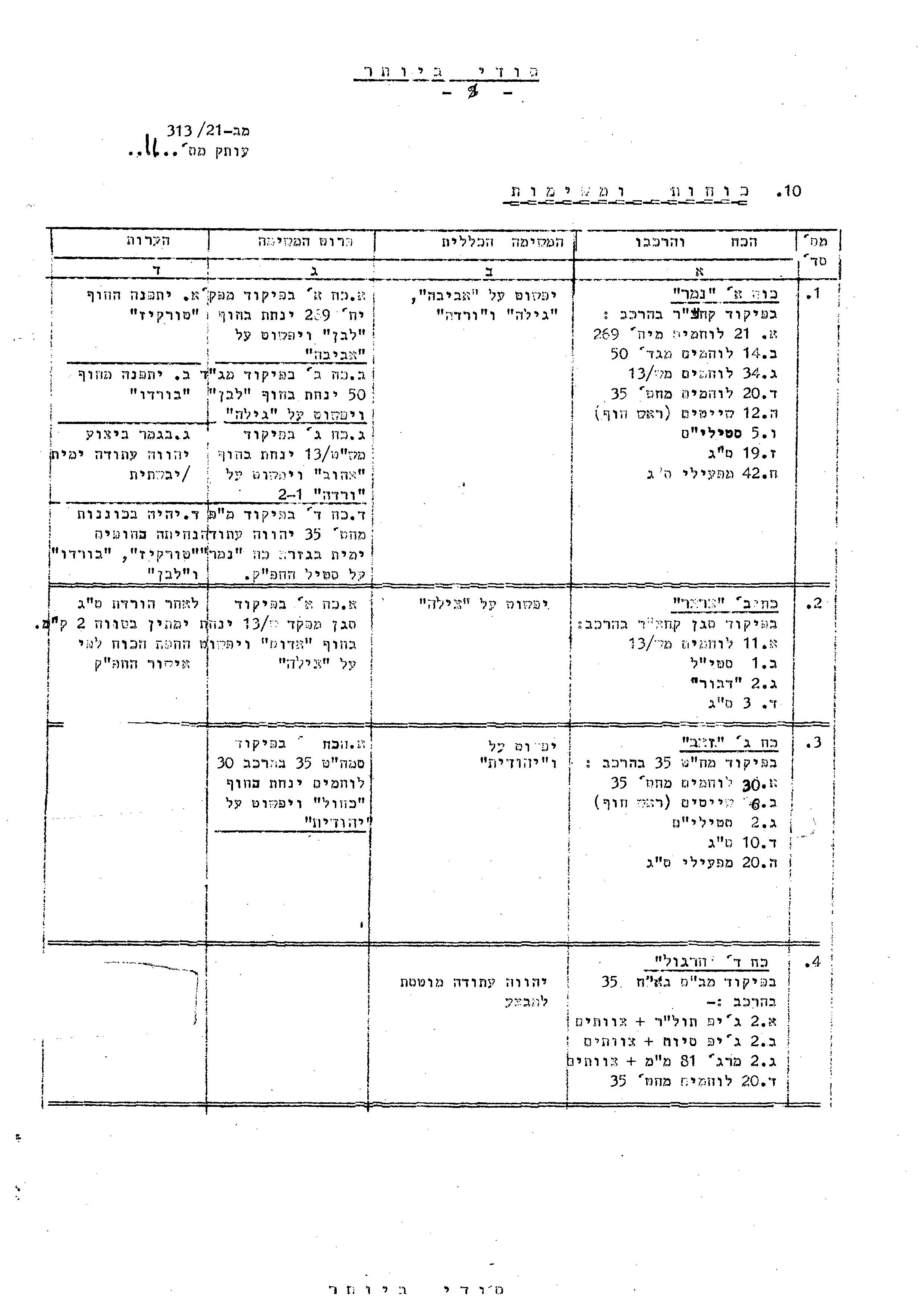
בליל 10-9 באפריל 1973 פשטו כוחות סיירת מטכ"ל, שייטת 13 וצנחנים, במסגרת מבצע "אביב נעורים", על יעדי מחבלים בביירות ובאזור צידון. היעדים היו: שני בתים בביירות בהם התגוררו מנהיגי הפת"ח, מפקדת "החזית העממית הדמוקרטית" בלב ביירות, מפקדה ובית מלאכה לחומרי חבלה של הפת"ח בשכונת אל-עוזאי בדרום ביירות, בית מלאכה לייצור מוקשים ימיים באיזור נמל בירן, מוסך ובית מלאכה מצפון לצידון.
הכוחות הונחתו בחופי ביירות על ידי ספינות חיל הים. כוח סיירת מטכ"ל בפיקודו של אהוד ברק וכוח הצנחנים בפיקודו של אמנון ליפקין שחק, שיעדיהם היו בלב ביירות, נפגשו בחוף עם סוכני המוסד שהמתינו להם עם כלי רכב שכורים ונסעו עימם ליעדיהם. כוח סיירת מטכ"ל פרץ לדירות מנהיגי המחבלים והרג אותם. כוח הצנחנים הגיע למטה החזית, נתקל בכוח האבטחה של המחבלים, ספג נפגעים והניח את מטעני החבלה בבניין תוך כדי לחימה עם המחבלים. כוח שייטת 13, בפיקודו של שאול זיו, נחת סמוך ליעדיו באל-עוזאי וביצע את משימתו. כוח נוסף של השייטת, בפיקודו של גדי שפי, נחת בסמוך ליעדו ליד הנמל וביצע את משימתו. כוח צנחנים נוסף בפיקודו של עמוס ירון נחת מצפון לצור ופגע ביעדו. בגמר הביצוע התפנו הכוחות דרך הים. במבצע זה היו לצה"ל שני הרוגים ושני פצועים.
אתם מוזמנים לעיין במסמכים מהאירוע: פקודת המבצע, פשיטת צה"ל בלבנון דו"ח ראשוני, סיכום הרמטכ"ל ומכתביו של הרמטכ"ל דוד אלעזר (דדו) לסיירת מטכ"ל בפיקודו של סא"ל אהוד ברוג (ברק), למפקדת קצין צנחנים וחי"ר ראשי בפיקודו של תא"ל עמנואל שקד, לחיל הים בראשות אלוף בנימין תלם.
*** על מנת להגדיל את הפונטים לקריאה נוחה יותר, ניתן להקיש ctrl+ כמה פעמים.
פקודת מבצע מס' 1:






פשיטת צה"ל בלבנון דו"ח ראשוני


סיכום הרמטכ"ל מה-3 ומה-5 באפריל 1973

מכתביו של הרמטכ"ל דוד אלעזר (דדו) לסיירת מטכ"ל בפיקודו של סא"ל אהוד ברוג (ברק), למפקדת קצין צנחנים וחי"ר ראשי תא"ל עמנואל שקד, לחיל הים בפיקודו של אלוף בנימין תלם.


ניתן לצפות בסרט בערוץ היוטיוב - מבצע "אביב נעורים" טקס במלאת 20 שנה למבצע- ערב לזכרם של אבידע שור וחגי מעיין ז"ל, בין המשתתפים: אהוד ברק 20.4.1993; יח' ההסרטה דו"צ [25 דצ06] אוסף ארכיון צה"ל ומעהב"ט.
מקורות:
מסמכי ארכיון משלוח 4/2016 תיק 2
זיו, חני; גלבר, יואב (עורכים), בני קשת: מאה שנות מאבק, חמישים שנות צה"ל, במחנה: משרד הביטחון - ההוצאה לאור
ליקטה ורשמה: אילנית יהודה
עריכת לשון: נטלי שוחט
סריקת מסמכים: גואל אמיר
תאריך פרסום: 07/04/2016